 |
|
 |
 |
HIGH
OUTPUT ALTERNATOR UPGRADES AND
RV/ MARINE INVERTER-CHARGER PAGE
|
|
 |
 |
 |
| |

VIEW
THE HIGH OUTPUT ALTERNATORS, INVERTER-CHARGERS AND OTHER ELECTRICAL
PARTS AND PRICING DOWN THE PAGE
At
Pinnacle Innovations we take a "Total Systems Approach"
with every project to make sure that all variables are identified
so that we can design the correct system for you the first time.
Normally this involves a little information gathering and sharing
during the first few communications. We are not just here to
sell batteries and parts - we offer well planned "Engineered
Solutions".
Our
goal is to identify:
- All
of your existing equipment - both AC (120 Volt or 240 Volt
Alternating Current) and DC (12 Volt or 24 Volt Direct Current)
devices as well as their Amp draws/ charging capabilities.
In addition, we determine for how many hours each day these
devices are used so that we can come up with a "Power
Inventory" for both Charging Devices as well as Load
Devices. We aim to work with and reprogram existing charging
equipment whenever possible to be compatible with lithium-ion
battery charging requirements - we don't want you to have
to buy replacement parts if we can reprogram your existing
charging equipment.
- The
physical dimensions of compartments that you wish to locate
new equipment such as the Lithionics batteries, inverter-chargers
and so on. This helps us make drawings to see what size(s)
of batteries etc. will fit in the most economical way. As
part of this process we also look at power cabling distances
to optimize efficiency and minimize DC power cable costs.

Sample marine installation wiring diagram with Lithionics
12 and 24 Volt battery banks as specified by Client, 24 Volt
Victron 3kW inverter-charger, DC Power Solutions high output
alternator upgrade, Polar
Power 8kW DC diesel generator, Perfect
Switch POWER-GATE rectifier isolators and ORing relays,
Solbian
solar panel array with 1,000 Watts of power.
Click on the above Sample Wiring Diagram for details of this
48 Volt Lithionics lithium-ion battery system with twin Elco
EP-20 48 Volt electric marine engines on a 24 foot pontoon
houseboat.
- Your
desired operation of the system. This is sometimes referred
to as the "Duty Cycle" - for how long you
want to be able to power the equipment before the need for
recharging. From this we analyze the battery bank size needed
as well as recharging options and their output. Wherever possible,
we try to maximize what we call "Opportunity Charging"
where equipment like alternators or solar panels can be recharging
the battery bank whenever possible to minimize the battery
system depth of discharge and keep your battery system topped
up.
From
this, we can create some drawings as well as wiring diagrams,
specify components needed and come up with a quote for you.
In many cases we can also provide
installation or installation support - we have travelled
to Taiwan, Florida and other locations to assist clients with
on-site support, testing and installations.
|
|
| |
|
|
|
A
powerful Alternator upgrade:
We offer alternator upgrades including Balmar, Nations
and DC Power Solutions. Alternators up to 350 Amps of output
with 180+ Amps output at idle. Available as single OEM alternator
replacements or custom dual alternator upgrades.

Nations Alternator high output alternator and Balmar MC-614
external Voltage regulator. Details
and pricing below...

Click
on the image for a larger Nations Alternator wiring diagram
In
general, for most applications, a high output alternator
upgrade is going to start around $700.00 USD and go up from
there. Get in touch with us at Pinnacle Innovations to get
you the right solution at the right price.
For
More Information on High Output Alternators for Marine and
RV,
a System Evaluation or to Order,
Call: 604-510-0800
or Email
Us
A
big part of any alternator upgrade is a system analysis
that inludes reviewing cabling capacity and battery isolators
that may be involved. In most cases, existing solenoid style
battery isolators will not only prove inefficient but will
not be able to handle the indreased Amps going through them.
The best way to upgrade these is with a Perfect
Switch POWER-GATE battery isolator. Pinnacle Innovations
has worked closely with Perfect Switch Enginneers to come
up with some creative, simple and safe engineering solutions
on some of our custom projects.

Dual Rectifier Isolator
(Gen 4.0)
Whether
you have a diesel marine engine or a gas RV engine, chances
are that we are able to offer either a replacement alternator
or even a dual alternator upgrade soultion. Balmar and
Nations offer several models that fit most popular diesel
and gas engines.

Balmar
high output "red case" marine alternator with Balmar MC
series external Voltage regulator. Balmar
details below...

Nations
Alternator high output alternators for RV, Sprinter Van
Conversions, Marine and more. Details
below...
We
can also supply custom-made high output alternators through
DC Power Solutions - like the one shown here on our customer's
150HP Volvo-Penta 12 Volt propulsion engine installed in
Taiwan by Queen Long Marine Company on our customer's 56'
Hylas sailboat:


DC
Power Solutions 180 Amp 12 Volt high output marine alternator
with Balmar MC-614 external Voltage regulator installed
on a Volvo-Penta 150HP diesel marine engine. Details
below...
One
thing we always look at with alternator upgrades is whether
or not we can utilize an external Voltage Regulator - like
the Balmar MC-614 external Voltage regulator. One of the
main advantages of this is that we remove the regulatoir
from the heat-susceptible alternator so efficiency gains
and charging Amps can be greater.

Balmar
MC-614 external Voltage regulator for high output marine
and RV alternators (see details below).
We
can also provide customers with upgraded copper power
cabling. Most often we use Ancor 4/0 and smaller marine
rated/ ABYC certified power cabling with 105 Celsius conduit
ratings.
Call:
604-510-0800
or Email
Us
for
more information on High Output Alternator Solutions for
Marine and RV

|
A
powerful 3,000 Watt Inverter-charger upgrade:
Lithionics
Battery has worked dilligently with several respected
and leading Inverter-Charger Manufacturers including
Xantrex, OutBack Power, Victron Energy and more
to understand their product and develop optimal
firmware and software upgrades to optimize their
charge algorithms for the Lithionics lithium-ion
battery systems and NeverDie BMS.
Whether
you have an RV, yacht, sailboat or Mercedes-Benz Sprinter
van conversion, we can assist you in selecting the
right inverter-charger, inverter or DC power converter
for you.
Some
of the high power Inverter-Chargers that we offer:
XANTREX
INVERTER-CHARGERS
Xantrex
Freedom XC PRO, Xantrex
PROwatt, PROsine and Xantrex Freedom SW 3012 Inverter-Charger
Xantrex Inverter-Charger
Pricing Below...


The
Xantrex Freedom XC PRO 3,000 Watt inverter-charger
is priced from $3,179.90 CAD* - remote Xantrex display
is extra. Details below...

Xantrex
details below
VICTRON
ENERGY
INVERTER-CHARGERS
Victron Multiplus and Quattro
Inverter-Chargers and DC to DC Orion Converters

More
Victron Energy Info on the Victron Page...
Call:
604-510-0800
or Email
Us
for
Victron equipment
MAGNUM
ENERGY
INVERTER-CHARGERS
Magnum Energy Inverter-Chargers
Please note that some Clients have had issues
with Magnum chargers and lithium batteries so we no
longer sell them for Lithionics Clients. However,
if you have one and an older Lithionics lithium-ion
battery system the following information may be helpful
for you:
To learn how to program your Magnum battery
inverter, see Inverter
Programming Guide for Magnum ME-MR or Inverter
Programming Guide for Magnum ME-RC on the Frequently
Asked Questions page
. June 2019: click
here for the latest Magnum Charger Programming Guide
that modifies the CC/CV program.

Sample
Magnum Energy MS Series inverter-charger grounding
wiring diagram
OUTBACK
POWER
INVERTER-CHARGERS
OutBack Power Inverter-Chargers
OutBack
Power Price List Below...


Complete information and pricing on our OutBack
page...
|
For
More Information on Inverter-Chargers, a System Evaluation
or to Order,
Call: 604-510-0800
or Email
Us
|
|
Lithionics
also endorses Wakespeed external Voltage regulators
like the WS500 - which
can also be controlled by the Lithionics NeverDie
Battery Management System by using the Lithionics
"Marine" 23 pin Ampseal connector and specifying
"CANbus" on the BMS box order.

See
more details down this page...

|
|
 |
|
High
Output Alternators For RV and Marine:
|
Balmar
High Output Alternators and Accessories
We offer a complete
line of Balmar products (over 50) so if you don't
see what you need, just call 604-510-0800 or email
us.
|
|
Model
Number
|
Description
|
Discounted
Price $CAD*
Click
on images for a larger image
|
|
Balmar
AT-DF-200-J10-KIT
|
Kit
Includes: AT-DF-200-J10 Alternator, MC-614 external
Voltage Regulator, Temperature Sensors and Mounting
Hardware
AT Series Alternator: 200 Amps, 12 Volts, Saddle
Mount (Dual Foot), 3.15", J10 Alt Mount Serpentine
Pulley, Isolated Ground
Hitachi-Style
Mounting; Typical for Yanmar, Westerbeke, Lehman
and Perkins-Sabre Engines
IMPORTANT:
If you will need a Perfect
Switch POWER-GATE rectifier isolator and a Balmar
External Voltage Regulator connected in the system
please advise so that we can program the Perfect
Switch device's trigger time to one minute (Balmar
regulators have a 35 second delay before they power
up).
|
$2,965.60
|
|
Balmar
AT-DF-200-K6-KIT
|
Kit
Includes: AT-DF-200-K6 Alternator, MC-614 external
Voltage Regulator, Temperature Sensors and Mounting
Hardware
AT
Series Alternator: 200 Amps, 12 Volts, Saddle Mount
(Dual Foot), 3.15", K6 Serpentine Pulley, Isolated
Ground
Hitachi-Style Mounting; Typical for Yanmar, Westerbeke,
Lehman and Perkins-Sabre Engines
IMPORTANT:
If you will need a Perfect
Switch POWER-GATE rectifier isolator and a Balmar
External Voltage Regulator connected in the system
please advise so that we can program the Perfect
Switch device's trigger time to one minute (Balmar
regulators have a 35 second delay before they power
up).
|
$2,965.60
|
|
Balmar
AT-DF-165-J10-KIT
|
Kit
Includes: AT-DF-165-J10 Alternator, MC-614 Regulator,
Temperature Sensors and Mounting Hardware
AT
Series Alternator: 165 Amps, 12 Volts, Saddle Mount
(Dual Foot), 3.15", J10 AltMount Serpentine
Pulley, Isolated Ground
Hitachi-Style
Mounting; Typical for Yanmar, Westerbeke, Lehman
and Perkins-Sabre Engines
IMPORTANT:
If you will need a Perfect
Switch POWER-GATE rectifier isolator and a Balmar
External Voltage Regulator connected in the system
please advise so that we can program the Perfect
Switch device's trigger time to one minute (Balmar
regulators have a 35 second delay before they power
up).
|
$2,529.90

|
|
Balmar
AT-DF-165-K6-KIT
|
Kit
Includes: AT-DF-165-K6 Alternator, MC-614 Regulator,
Temperature Sensors and Mounting Hardware
AT
Series Alternator: 165 Amps, 12 Volts, Saddle Mount
(Dual Foot), 3.15", K6 Serpentine Pulley, Isolated
Ground
Hitachi-Style
Mounting; Typical for Yanmar, Westerbeke, Lehman
and Perkins-Sabre Engines
IMPORTANT:
If you will need a Perfect
Switch POWER-GATE rectifier isolator and a Balmar
External Voltage Regulator connected in the system
please advise so that we can program the Perfect
Switch device's trigger time to one minute (Balmar
regulators have a 35 second delay before they power
up).
|
$2,529.90

|
|
Balmar
60-YP-120-SR
|
BALMAR
ALTERNATOR KIT 120A DUAL
120 Amps output.
Light-duty
6-Series Alternators are engineered to replace most
OEM alternators on a wide variety of marine gasoline
and diesel engines.
Kits
include: alternator, ARS-5 regulator, alternator/battery
temperature sensors and hardware kit.
IMPORTANT:
If you will need a Perfect
Switch POWER-GATE rectifier isolator and a Balmar
External Voltage Regulator connected in the system
please advise so that we can program the Perfect
Switch device's trigger time to one minute (Balmar
regulators have a 35 second delay before they power
up).
|
$1,797.70
CAD
|
|
Balmar
60-120-SR-IG
|
BALMAR
ALTERNATOR 12V 120A DBL
12 Volts with 120 Amps output.
Light-duty
6-Series Alternators are engineered to replace most
OEM alternators on a wide variety of marine gasoline
and diesel engines.
IMPORTANT:
If you will need a Perfect
Switch POWER-GATE rectifier isolator and a Balmar
External Voltage Regulator connected in the system
please advise so that we can program the Perfect
Switch device's trigger time to one minute (Balmar
regulators have a 35 second delay before they power
up).
|
$1,387.69
CAD
|
|
Balmar
60-24-70-SR-IG
|
BALMAR
ALTERNATOR 24V 70A DBL
24 Volts with 70 Amps output.
IMPORTANT:
If you will need a Perfect
Switch POWER-GATE rectifier isolator and a Balmar
External Voltage Regulator connected in the system
please advise so that we can program the Perfect
Switch device's trigger time to one minute (Balmar
regulators have a 35 second delay before they power
up).
|
$1,697.70
CAD
|
|
Balmar
604-24-70-DV
|
BALMAR
ALTERNATOR 24V 70A
24 Volts with 70 Amps output. 4" Dual Foot
Saddle Mount (J-180-style).
External
Voltage Regulator parts sold separately.
6-Series
Alternators
Designed for Recreational Applications
-
Balmar's Top Selling Alternator Line
-
70A, 100A, 120A and 150A Versions
- Patented
Smart Ready Internal Regulator Technology
- Dual
Fan Cooling
- High
Airflow Frame
- Maximum
RPM: 12,000
- USCG
Title 33, ISO, SAE and CE Compliant
- Ideal
for Modest Charging Upgrades
IMPORTANT:
If you will need a Perfect
Switch POWER-GATE rectifier isolator and a Balmar
External Voltage Regulator connected in the system
please advise so that we can program the Perfect
Switch device's trigger time to one minute (Balmar
regulators have a 35 second delay before they power
up).
|
$
Contact Us for Price
604-510-0800 or Email
Us

Click
on images for a larger image
|
|
Balmar
604-24-70-K6
|
BALMAR
ALTERNATOR 24V 70A
24 Volts with 70 Amps output. 4" Dual Foot
Saddle Mount (J-180-style).
External
Voltage Regulator parts sold separately.
6-Series
Alternators
Designed for Recreational Applications
-
Balmar's Top Selling Alternator Line
-
70A, 100A, 120A and 150A Versions
- Patented
Smart Ready Internal Regulator Technology
- Dual
Fan Cooling
- High
Airflow Frame
- Maximum
RPM: 12,000
- USCG
Title 33, ISO, SAE and CE Compliant
- Ideal
for Modest Charging Upgrades
IMPORTANT:
If you will need a Perfect
Switch POWER-GATE rectifier isolator and a Balmar
External Voltage Regulator connected in the system
please advise so that we can program the Perfect
Switch device's trigger time to one minute (Balmar
regulators have a 35 second delay before they power
up).
|
$
Contact Us for Price
604-510-0800 or Email
Us

|
|
Balmar
9504-12-210-IG
|
BALMAR
95 SERIES ALTERNATOR 12 Volts 210 Amps
12 Volts with 210 Amps output. 4" Dual Foot
Saddle Mount (J-180-style). This is a large case
alternator so please check your engine room to ensure
you have room for this alternator.
Large
frame alternators designed for mid-duty cycle applications.
From world class ocean racers to commercial fishers
and military patrol vessels, these large-frame alternators
have a proven record for supporting large house
battery banks and challenging electrical loads under
some of the toughest marine conditions imaginable.
94-Series, 94LY-Series and 95-Series Alternators
feature extra-large gauge custom wound stators and
high Amperage diode packs to ensure optimal charging
performance. 94-Series alternators deliver excellent
low RPM output and terrific response throughout
the power band.
NOTE:
Also available in 165 Amp output. Use part number
Balmar 9504-12-165-IG ($1,697.90 CAD)
External
Voltage Regulator parts sold separately.
95
Series Alternators
Designed for Moderate Duty Applications
-
Deep Dual Vee Pulley*
-
Isolated Ground
- 4"
J-180-Style Mounting; Typical for Caterpillar,
Cummins, Detroit Diesel & John Deere Engines
-
Extra Heavy Duty Windings, Diodes & Brushes
-
Isolated Ground Termination
- Corrosion
Resistant Powder Coated Finish
- Bi-Directional
Cooling Fans on 94-Series & 95-Series
- Maximum
RPM: 6,000
- USCG
Title 33 Ignition Protection Compliant
*
Serpentine Pulley Mounted on Request. Part number
48-AM-39 with 2.7" diameter, 0.875"
bore and 10 groove (J10) channel for serpentine
belts.
|
$3,109.83
CAD
604-510-0800 or Email
Us

IMPORTANT:
If you will need a Perfect
Switch POWER-GATE rectifier isolator and a
Balmar External Voltage Regulator connected in
the system please advise so that we can program
the Perfect Switch device's trigger time to one
minute (Balmar regulators have a 35 second delay
before they power up).
|
|
Balmar
9504-24-140-IG
|
BALMAR
95 SERIES ALTERNATOR 24 Volts 140 Amps
24 Volts with 140 Amps output. 4" Dual Foot
Saddle Mount (J-180-style). This is a large case
alternator so please check your engine room to ensure
you have room for this alternator.
Large
frame alternators designed for mid-duty cycle applications.
From world class ocean racers to commercial fishers
and military patrol vessels, these large-frame alternators
have a proven record for supporting large house
battery banks and challenging electrical loads under
some of the toughest marine conditions imaginable.
94-Series, 94LY-Series and 95-Series Alternators
feature extra-large gauge custom wound stators and
high Amperage diode packs to ensure optimal charging
performance. 94-Series alternators deliver excellent
low RPM output and terrific response throughout
the power band.
External
Voltage Regulator parts sold separately.
95
Series Alternators
Designed for Moderate Duty Applications
-
Deep Dual Vee Pulley*
-
Isolated Ground
- 4"
J-180-Style Mounting; Typical for Caterpillar,
Cummins, Detroit Diesel & John Deere Engines
-
Extra Heavy Duty Windings, Diodes & Brushes
-
Isolated Ground Termination
- Corrosion
Resistant Powder Coated Finish
- Bi-Directional
Cooling Fans on 94-Series & 95-Series
- Maximum
RPM: 6,000
- USCG
Title 33 Ignition Protection Compliant
*
Serpentine Pulley Mounted on Request. Part number
48-AM-39 with 2.7" diameter, 0.875" bore
and 10 groove (J10) channel for serpentine belts.
|
$3,109.83
CAD
604-510-0800 or Email
Us

IMPORTANT:
If you will need a Perfect
Switch POWER-GATE rectifier isolator and a
Balmar External Voltage Regulator connected in
the system please advise so that we can program
the Perfect Switch device's trigger time to one
minute (Balmar regulators have a 35 second delay
before they power up).
|
|
Balmar
970414024IG
|
BALMAR
97 SERIES ALTERNATOR 24 Volts 140 Amps
24 Volts with 140 Amps output. 4" Dual Foot
Saddle Mount (J-180-style).
External
Voltage Regulator parts sold separately.
Built
expressly for the added demands of large multi-battery
banks, inverter loads and other substantial electrical
demands, Extra-Large Case 97-Series Brushless Alternators
provide the size, cooling and output across the
range of engine RPM required to perform in league
with a small genset.
-
Highly Efficient Brushless Design
-
Isolated Ground Termination
-
Bi-Directional Cooling Fan
- Maximum
RPM: 7,000
- External
Regulation
- Required
USCG Title 33, CE, ISO J1171 and SAE 8849 Compliant
IMPORTANT:
If you will need a Perfect
Switch POWER-GATE rectifier isolator and a Balmar
External Voltage Regulator connected in the system
please advise so that we can program the Perfect
Switch device's trigger time to one minute (Balmar
regulators have a 35 second delay before they power
up).
|
$3,159.00
CAD
604-510-0800 or Email
Us
Click
on images for a larger image
|
|
|
|
Balmar
9704-24-140-BL-IG
|
BALMAR
97 SERIES ALTERNATOR 24 Volts 140 Amps
24 Volts with 140Amps output. 4" Dual Foot
Saddle Mount (J-180-style).
External
Voltage Regulator parts sold separately.
Built
expressly for the added demands of large multi-battery
banks, inverter loads and other substantial electrical
demands, Extra-Large Case 97-Series Brushless Alternators
provide the size, cooling and output across the
range of engine RPM required to perform in league
with a small genset.
-
Highly Efficient Brushless Design
-
Isolated Ground Termination
-
Bi-Directional Cooling Fan
- Maximum
RPM: 7,000
- External
Regulation
- Required
USCG Title 33, CE, ISO J1171 and SAE 8849 Compliant
IMPORTANT:
If you will need a Perfect
Switch POWER-GATE rectifier isolator and a Balmar
External Voltage Regulator connected in the system
please advise so that we can program the Perfect
Switch device's trigger time to one minute (Balmar
regulators have a 35 second delay before they power
up).
|
$
Contact us for price
604-510-0800 or Email
Us
Click
on images for a larger image
|
|
Balmar
98-12-310-IG
|
BALMAR
SP ALTERNATOR12V 310A DBL - 98 SERIES
12 Volts with 310 Amps output.
Built
to provide performance in a league with an auxiliary
genset, this alternator can deliver up to 5KW. This
extra large case alternator features a brushless
design which eliminates a critical wear point, increases
ignition protection and delivers greater field efficiency.
Includes a 4" J-180 saddle-style mount. Dual
cooling fans help insure cooler operation. Isolated
ground for installation on steel or aluminium boats.
Meets
USCG Title 33, CE, SAE 8846 and ISO J-1171 ignition
protection requirements.
IMPORTANT:
If you will need a Perfect
Switch POWER-GATE rectifier isolator and a Balmar
External Voltage Regulator connected in the system
please advise so that we can program the Perfect
Switch device's trigger time to one minute (Balmar
regulators have a 35 second delay before they power
up).
|
$7,797.70
CAD
|
|
Balmar
98-24-220-IG
|
BALMAR
SP ALTERNATOR24V 220A DBL - 98 SERIES
24 Volts with 220 Amps output.
Built
to provide performance in a league with an auxiliary
genset, this alternator can deliver up to 5KW. This
extra large case alternator features a brushless
design which eliminates a critical wear point, increases
ignition protection and delivers greater field efficiency.
Includes a 4" J-180 saddle-style mount. Dual
cooling fans help insure cooler operation. Isolated
ground for installation on steel or aluminium boats.
Meets
USCG Title 33, CE, SAE 8846 and ISO J-1171 ignition
protection requirements.
IMPORTANT:
If you will need a Perfect
Switch POWER-GATE rectifier isolator and a Balmar
External Voltage Regulator connected in the system
please advise so that we can program the Perfect
Switch device's trigger time to one minute (Balmar
regulators have a 35 second delay before they power
up).
|
$7,797.70
CAD
|
|
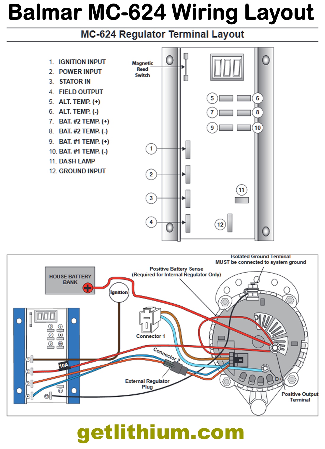
Balmar
Regulator: MC-614H
|
BALMAR
Regulator: MC-614H (with wire harness)
The most advanced regulator available!
- 7-Selectable
charging programs
- Alternator
and battery (2) temperature sensing
- Alpha-numeric
LED display
- Fully
potted circuitry
- User
Adjustable advanced programing
Typically,
more than 70% of the energy put into battery banks
is generated while away from the dock. That's
why it's essential to control your engine's alternator
with the smartest, most powerful Voltage regulator
available. 12 Volt and 24 Volt Max Charge regulators
provide the ultimate combination of programmability
and built-in charging intelligence to keep your
batteries at their best. Add the benefits of automatic
alternator and battery temperature sensing (optional
sensors MC-TS-A and MC-TS-B are required) for
even greater safety and control.
Important
Note: Alternators output higher Amps and Voltage
in cooler temperatures. When connecting the Balmar
MC-614 external Voltage regulator to Lithionics
lithium-ion batteries, if the outside temperature
is say 22 Celsius or higher, we recommend setting
the Voltage a little below the Lithionics maximum
charging Voltage by a few percentage points.
Here
are the Lithionics recommended charge settings:

Charge 14.4 Volts - 14.6 Volts.

Float 13.4 Volts.
High
Voltage Cutoff (HVC) 15.6 Volts.
On
newer Balmar External Voltage Regulators, they
do have a "Lithium-ion Battery" charge
setting, which is acceptable for the Lithionics
lithium-ion batteries.
Balmar
suggest setting the alternator temperature to
90 degrees Fahrenheit.
IMPORTANT:
If you will need a Perfect
Switch POWER-GATE rectifier isolator and a
Balmar External Voltage Regulator connected in
the system please advise so that we can program
the Perfect Switch device's trigger time to one
minute (Balmar regulators have a 35 second delay
before they power up).
|
|
|
Balmar
Regulator: MC-624-H
|
BALMAR
Regulator: MC-624-H
Regulator, MC624 Multi-Stage, 24 Volts, with Harness
Balmar
MC-624-H Manual

Important
Note: Alternators output higher Amps and Voltage
in cooler temperatures. When connecting the Balmar
MC-624 external Voltage regulator to Lithionics
lithium-ion batteries, if the outside temperature
is say 22 Celsius or higher, we recommend setting
the Voltage a little below the Lithionics maximum
charging Voltage by a few percentage points.
Here
are the Lithionics recommended charge settings:

Charge 28.8 Volts - 29.2 Volts.

Float 26.8 Volts.
High
Voltage Cutoff (HVC) 31.2 Volts.
On
newer Balmar External Voltage Regulators, they do
have a "Lithium-ion Battery" charge setting,
which is acceptable for the Lithionics lithium-ion
batteries.
Balmar
suggest setting the alternator temperature to 90
degrees Fahrenheit.
IMPORTANT
INSTALLATION NOTES:
When installing this device on a high performance
alternator that uses an external Voltage Regulator
like the Balmar MC-614 or MC-624-H and a
Perfect
Switch POWER-GATE Dual Battery Isolator,
we may need to connect the external Voltage Regulator's
"Battery +" wire to the engine starting
battery's positive post or to the "Main Battery"
stud post on the Perfect Switch instead of the "Battery
Positive + Post" on the alternator. The reason
is that with the Perfect Switch dual isolator installed,
the alternator's "Battery Positive + Post"
does not have power until the Perfect Switch device
is active and as a result the Voltage Regulator
may not turn on as desired when cranking the engine.
If possible, we recommend bench testing the alternator/
batteries and Perfect Switch system prior to installing
on the vehicle. The best way is to follow the Alternator/
external Voltage Regulator's Installation Instructions
but if the Regulator does not power up then try
using this alternate wiring option of the Regulator's
"B+" or "Battery Positive +"
wire.
|
$792.90
CAD

Click on images for a larger image


IMPORTANT:
If you will need a Perfect
Switch POWER-GATE rectifier isolator and a
Balmar External Voltage Regulator connected in
the system please advise so that we can program
the Perfect Switch device's trigger time to one
minute (Balmar regulators have a 35 second delay
before they power up).
|
|
Balmar
Regulator: ARS-5
|
BALMAR
Regulator: ARS-5
Regulator, ARS Multi-Stage, 12 Volts, without Harness
Part
Number with Harness: ARS-5-H.
Important
Note: Alternators output higher Amps and Voltage
in cooler temperatures. When connecting the Balmar
ARS-5 external Voltage regulator to Lithionics lithium-ion
batteries, if the outside temperature is say 22
Celsius or higher, we recommend setting the Voltage
a little below the Lithionics maximum charging Voltage
by a few percentage points.
Here
are the Lithionics recommended charge settings:

Charge 14.4 Volts - 14.6 Volts.

Float 13.4 Volts.
High
Voltage Cutoff (HVC) 15.6 Volts
IMPORTANT
INSTALLATION NOTES:
When installing this device on a high performance
alternator that uses an external Voltage Regulator
like the Balmar ARS-5, MC-614 or MC-624-H and
a Perfect
Switch POWER-GATE Dual Battery Isolator,
we may need to connect the external Voltage Regulator's
"Battery +" wire to the engine starting
battery's positive post or to the "Main Battery"
stud post on the Perfect Switch instead of the "Battery
Positive + Post" on the alternator. The reason
is that with the Perfect Switch dual isolator installed,
the alternator's "Battery Positive + Post"
does not have power until the Perfect Switch device
is active and as a result the Voltage Regulator
may not turn on as desired when cranking the engine.
If possible, we recommend bench testing the alternator/
batteries and Perfect Switch system prior to installing
on the vehicle. The best way is to follow the Alternator/
external Voltage Regulator's Installation Instructions
but if the Regulator does not power up then try
using this alternate wiring option of the Regulator's
"B+" or "Battery Positive +"
wire.
|
$561.90
CAD
IMPORTANT:
If you will need a Perfect
Switch POWER-GATE rectifier isolator and a
Balmar External Voltage Regulator connected in
the system please advise so that we can program
the Perfect Switch device's trigger time to one
minute (Balmar regulators have a 35 second delay
before they power up).
|
| Balmar
CenterFielder II |
Centerfielder
II Dual Alternator Charge Balancer
The
Centerfielder II balances twin-engine charging
systems by monitoring port and starboard voltage
regulators. When both alternators and voltage
regulators are working, the Centerfielder II automatically
splits field output from the dominant regulator
to both alternators, making it possible to charge
a single house battery bank with the combined
output of both alternators. Use only with BALMAR
Max Charge MC-612, MC-614, or MC-624 Voltage regulators.
Do not install in systems utilizing internally
regulated alternators.
-
Balances
charging in twin engine applications
-
Works
in 12 and 24 Volt applications
-
Isolates
alternators and regulators when only one engine
is running
-
Provides
field current from a single regulator to both
port and starboard alternators when both engines
are in operation
-
Fused 12 ga. power wires (2) w/15A ATC fuse
included
|
$461.90
CAD

|
|
Balmar
684-UAA
|
Universal
Adjustment Arm
Many
installers rely on the Universal Adjustment Arm
(UAA) for alternator installations. Precision
cut and powdercoated for protection from rust
and corrosion.
Universal
Adjustment Arm for the Belt Buddy. This part number
is for the "Arm Only". It does not come
with the Belt Buddy Adjustment Mechanism. The
Belt Buddy Mechanism which goes with the UAA is
part number BB, grouped together the set is part
number UBB. The Belt Buddy Mechanism which goes
with most any adjustment arm is part number BBU.
The UAA is 10.3" long and the adjustment
slot provides up to 4.5" of travel. The adjustment
slot is 0.53" wide.
|
$53.99
CAD

Click
on images for a larger image
|
|
Balmar
684-UBB
|
Universal
Adjustment Arm
This is the complete assembly (UBB =UAA + BB),
designed for adjusting belt tension and providing
a positive stop for no slipping. Includes the
Belt Buddy draw clamp.
Belt
Buddy Kit: Includes the Universal Adjustment Arm
(UAA) and Belt Buddy Mechanism (BB). To utilize
only the adjustment mechanism with an existing
adjustment arm, purchase part number BBU. Caution:
This approach sacrifices some "travel"
in the existing adjustment arm so the BBU mechanism
can be anchored to the arm. Make certain your
alternator mounting does not need this travel
before purchasing the BBU.
|
$117.98
CAD

|
|
Balmar
684-MC-TS-B
|
Temperature
Sensor, Battery 20 ft Length
|
$91.98
CAD

Click
on images for a larger image
|
|
Balmar
684-MC-TS-A
|
Alternator
Temperature Sensor, 54" Length
|
$73.98
CAD

|
   |
|
Nations
High Output Alternators and Accessories
We offer the complete line of Nations Alternator
products so if you don't see what you need, just
call 604-510-0800 or email us.
Shown below are just a few of the more popular models
for Van Conversions.
|
|
Model
Number
|
Description
|
Nations
Alternator Price $USD*
|
|
Nations
NSA-DPM-3.6-270XP
|
270
Amp High Output Alternator for 2014-UP Dodge ProMaster
Work & Cargo Van 3.6L
The
XP Series high-output alternators are designed for
incredible durability and performance under any circumstance.
Before releasing to the general public, Nations has
put the 270 Amp XP series alternator through vigorous
testing on the 3.6L V6 Pentastar engine to ensure
that they hold up to our strict standards. All of
our alternators come standard with our 2-year warranty.
If you're looking for a significant overall increase
in top end and idle output, the XP series alternator
is your solution to your needs.
2/0
cable kit upgrade available - add $108.00 USD.
Warranty:
Full 2 years included
5 years Warranty available (add $120.00)
|
$849.95
USD

|
IMPORTANT
INFORMATION FOR MERCEDES-BENZ SPRINTER VAN OWNERS (&
RV OWNERS WITH THE SILVERLEAF SYSTEM):
Some
customers may want to keep the OEM (originally installed)
Mercedes alternator instead of upgrading to a high output
Nations Alternator. There are several critical limitations
of the OEM Mercedes alternator - including that Mercedes
does not permit greater than 40 Amps of current going
to battery charging as well as the fact that these alternators
do not offer a float Voltage of 13.8 Volts. |
| Sterling
Power Battery-to-Battery Chargers |
As
of January 2021, we no longer recommend connecting
a vehicle or boat motor's alternator directly to a
Lithionics Battery if the alternator does not have
a Wakespeed or Balmar external Voltage regulator that
offer proper multi-stage charging. Instead, you can
choose one of the Sterling Power battery to battery
chargers that would connect to your engine start battery
and then recharge the Lithionics Battery when the
engine runs. The Sterling products have an ignition
sense wire so it will only run when the engine runs.
|
|
|
|
Sterling
Power BB1230 12 Volt to 12 Volt DC battery to
battery charger. 30 Amps output.
Price: $406.64 USD
|
Sterling
Power BB1260 12 Volt to 12 Volt DC battery to
battery charger. 60 Amps output.
Price: $542.64 USD
|
|
|
|
|
|
|
Sterling
Power BB242435 24 Volt to 24 Volt DC battery
to battery charger. 35 Amps output.
|
Summary
Sterling Power BB1230 12 Volt to 12 Volt
DC battery to battery charger "Custom
Charge Profile Programming Instructions"
for the Lithionics 12 Volt, 315 Amp hour
GTX internal BMS battery:
-
Step 1: Connect the Sterling Device to
a 12 Volt power source/ battery with appropriate
fuse.
- Step
2: Remove the access cover at the bottom
of the charger to expose the two programming
buttons. Note: Do not quickly press
the selection buttons as they are a bit
slow to respond.
- Step
3: Press and hold down both buttons for
between 10 and 20 seconds - we recommend
15 seconds.
- Step
4: This override all factory settings
and allow us to use the "Custom Settings".
With the right button press it to move
the illuminated LED all the way down to
the bottom which is a hard to see faint
red LED "Custom" position.
- Step
5: Press both buttons for 1 second.
- Step
6: Now we set the bulk/ absorb charge
Voltage. Press the right button until
the two LEDs labelled 14.6 and 14.2 Volts
are illuminated (LEDs #18 and 19). This
position indicates our desired Voltage
of 14.4 Volts. Press both buttons for
1 second to lock it in.
- Step
7: Using the right button, navigate to
the LED # 20 that says 13.8 Volts. Press
both buttons for 1 second. This sets an
intermediary float Voltage.
- Step
8: Use the right button to illuminate
the LED # 6 labelled 13.4 Volts. This
is the float Voltage that we want. Press
both buttons for 1 second to lock it in.
- Step
9: Now we need to set the minimum absorption
time. Use the right button to scroll to
LED #4 (LED 22) = 120 minutes. Press both
buttons for 1 second to lock it in.
- Step
10: Now we set the maximum absorption
time. Use the right button to select 360
minutes which is LED #8. Press both buttons
for 1 second.
- Step
11: If you like, in this step you can
program the low temperature shutoff function
of the Sterling Charger. For the Lithionics
batteries we suggest that you set this
to +3 or +4 Celsius. This will turn off
the Sterling Charger in cold and very
cold temperatures so that it does not
trigger the Lithionics Battery cold temperature
intervention that will shut off power
to the Lithionics Battery if there is
battery charging detected and the battery
is at or below 0 Celsius.
- We
are now done and the green LEDs should
flash and the device should beep and reboot.
- NOTE:
The buttons are a little tricky to work
with so we suggest programming the unit
on a workbench and you may have to go
through the process a couple times. Click
on the PDF logo below for a copy of the
instructions.
Click
on the PDF logo for a copy of the instructions.
The
Sterling Battery to Battery DC Chargers can
be "Stacked" or Parallel-Connected
to double or triple the charging current -
as long as you alternator/ source battery
can support this. Visit our Contact
Us page to contact us about the Sterling
Power chargers and check out the Custom Programming
video below:

Click
on the link to see the brief setup video for
the Sterling Chargers...
|
|
Visit
our Contact Us page
to contact us about the Sterling Power chargers.



NOTE:
Pinnacle Innovations has found that the Victron Orion
Smart DC to DC Chargers are much easier to install
and set up. Visit
the Victron Energy page for more details...
|
|
Nations
12385-280-07-UP
|
2007-2018
Mercedes Sprinter Van 280 Amp Alternator 3.0L Diesel
280
Amp Sprinter Alternator Fits 2007-On Vehicles with
3.0L Mercedes Diesel. This Alternator is the solution
to the underpowered electrical sytem for Sprinter
Vans needing more power through all rpm ranges. This
durable unit is a direct fit and computer compatible.
The most powerful Sprinter Van Alternator available
from Nations.
280
Amp Sprinter Van Alternator Overview:
-
Rated Voltage: 14 Volts
-
Rated Output: 280 Amps
- Idle
Output: 200 Amps
- Stator:
Ultra High Efficiency six phase high output
- Rotor:
Precision balanced OEM high output
- Rectifier:
12, 75 amp diodes special high efficiency aluminum
heat sinks
- Voltage
Regulator: OEM manufactured
- Weight:
20lbs
2/0
cable kit upgrade available - add $108.00 USD.
Warranty:
Full 2 years included
5 years Warranty available (add $120.00)
|
$1,037.98
USD*

|
|
Nations
SPRINTER-DAK-280XP
|
Mercedes
Sprinter Van Dual Alternator Kit with 280XP High Amp
Alternator (2007-UP 3.0L Diesel)
Why
run dual alternators?
What if you had a separate charging system dedicated
to the additional accessory load? By running dual
alternators you can do just such a thing, and doing
so leaves the factory charging system intact doing
what it was intended to do, running the vehicle while
the secondary alternator carries the additional accessory
load. By effectively doubling the available amperage
of the vehicle, you can run more accessories with
less worry and all for about the same cost as a single
high quality High Output alternator.
We
are very proud to say, this dual alternator kit is
100% designed and manufactured in the USA!
Alternator
kit comes with:
- Complete
Dual Alternator mounting bracket and parts with
complete Installation Instructions
- 280XP
High Amp Alternator (produces 200 amps at idle)
-
OEM High Quality Mercedes Parts
- Runs
Alternator with approved Mercedes Benz parts
-
Reliability tested in field for years
- *You
can add a Balmar MC-614 External Voltage Regulator
to your package to gain more optimal performance.
Note: If you are using Lithium Batteries, this
is a requirement. MC-614 price when ordered with
Nations alternator: $479.94 USD.
|
$1,919.94
USD*

IMPORTANT:
If you will need a Perfect
Switch POWER-GATE rectifier isolator and a Balmar
External Voltage Regulator connected in the system
please advise so that we can program the Perfect
Switch device's trigger time to one minute (Balmar
regulators have a 35 second delay before they power
up).
|
|
Nations
TRANSIT-11271-300XM
|
11271-300XM
High Amp Alternator for Ford Transit Van 3.5L & 3.7L
Gas Engines
The
Large Case Denso Hairpin 300 Amp XM series high output
alternator is a component of a next generation high
efficiency, severe duty charging system specifically
engineered for Nations Starter and Alternator. This
system consists of a 300 Amp alternator and internal
regulator. The alternator produces a maximum of 300
Amps and will produce a minimum of 170 Amps continually
at low idle speeds and maximum output above 1800 engine
RPM. The alternator has a maximum efficiency in excess
of 75 percent. The rectifier is mounted onboard the
alternator and consists of 12 50 Amp press fit diodes.
The brush holder assembly and slip ring are environmentally
protected and the bearings are heavy-duty, oversized
premium bearings. The alternator housings are precision-machined
cast aluminum and all components are of OEM quality.
All major components being carefully chosen for maximum
performance and reliability.
The
Large Case Denso Hairpin 300 Amp XM series alternator
is specially designed to mount directly in the OEM
mounting location with no modification. All electrical
connections shall be in the original locations. The
alternator features a custom machined drive pulley
for increased output at idle speeds and retains OEM
belt length. The pulley is 6 Groove Hard Anodized
6061 Billet Aluminum and hard anodized coating for
wear resistance and durability.
Outputs
190 Amps at idle.
Powdercoat
or anodized colour options available at extra cost.
2/0
cable kit upgrade available - add $108.00 USD.
Warranty:
Full 2 years included
5 years Warranty available (add $120.00)
|
$839.94
USD*

We
have installed one of these successfully on our
customer's 2016 Ford Transit with 3.7 liter engine
and 24 foot RV body.
Details...
|
|
Nations
FMK4892V-8WP
|
This
is one of Nations Alternator's latest high output
alternator upgrades for Ford F-Series trucks - such
as the 2018 F350 with 6.2 liter gas engine.
Everything
that you need is included in this kit including the
brackets, new water pump, pulleys and of course the
280 Amp high output XP second alternator, Balmar MC614
external Voltage regulator etc.
This
kit allows you to use the existing alternator and
OEM wiring for the truck's OEM power requirements
and dedicate this second alternator to recharging
things like a lithium-ion house battery system in
the vehicle or in the RV trailer or camper.
Click
here for the Installation Guide
IMPORTANT:
If you will need a Perfect
Switch POWER-GATE rectifier isolator and a Balmar
External Voltage Regulator connected in the system
please advise so that we can program the Perfect Switch
device's trigger time to one minute (Balmar regulators
have a 35 second delay before they power up).
|
$2,399.90
USD*

Click on the image for a larger pic.
|
|
Nations
11532-300XP
|
This
is one of Nations Alternator's latest high output
alternator upgrades for Ford F-150 Series trucks.
It outputs up to 300 Amps and is plug and play to
replace the existing OEMalternator.
NOTE:
We have 1 customer with a very lightly used alternator
that has approx. 400 miles on it. He bought this alternator
for his new 2017 Ford F-150 pickup truck but when
he went to tow his big RV trailer from Colorado to
Las Vegas he learned he needed the Ford F-350 truck.
He is asking $500.00 USD or best offer. Please contact
David with Pinnacle Innovations at 604-510-0800 or
at siteinfo@shaw.ca
and we can connect you with this customer.
|
$839.90
USD*

Click on the image for a larger pic.
|
|
Nations
Cable Kit Upgrade
|
Universal
2/0 cable kit upgrade available
|
$108.00
USD*

|
|
Balmar
Regulator: MC-614
|
BALMAR
Regulator: MC-614
The most advanced regulator available!
- 7-Selectable
charging programs
- Alternator
and battery (2) temperature sensing
- Alpha-numeric
LED display
- Fully
potted circuitry
- User
Adjustable advanced programing
Typically,
more than 70% of the energy put into battery banks
is generated while away from the dock. That's why
it's essential to control your engine's alternator
with the smartest, most powerful Voltage regulator
available. 12 Volt and 24 Volt Max Charge regulators
provide the ultimate combination of programmability
and built-in charging intelligence to keep your
batteries at their best. Add the benefits of automatic
alternator and battery temperature sensing (optional
sensors MC-TS-A and MC-TS-B are required) for even
greater safety and control.
IMPORTANT
INSTALLATION NOTES:
When installing this device on a high performance
alternator that uses an external Voltage Regulator
like the Balmar MC-614 or MC-624-H and a
Perfect
Switch POWER-GATE Dual Battery Isolator,
we may need to connect the external Voltage Regulator's
"Battery +" wire to the engine starting
battery's positive post or to the "Main Battery"
stud post on the Perfect Switch instead of the "Battery
Positive + Post" on the alternator. The reason
is that with the Perfect Switch dual isolator installed,
the alternator's "Battery Positive + Post"
does not have power until the Perfect Switch device
is active and as a result the Voltage Regulator
may not turn on as desired when cranking the engine.
If possible, we recommend bench testing the alternator/
batteries and Perfect Switch system prior to installing
on the vehicle. The best way is to follow the Alternator/
external Voltage Regulator's Installation Instructions
but if the Regulator does not power up then try
using this alternate wiring option of the Regulator's
"B+" or "Battery Positive +"
wire.
|
$479.94
USD* when ordered with a Nations Alternator

IMPORTANT: If you will need a Perfect
Switch POWER-GATE rectifier isolator and a Balmar
External Voltage Regulator connected in the system
please advise so that we can program the Perfect
Switch device's trigger time to one minute (Balmar
regulators have a 35 second delay before they power
up).
|
|
|
| Wakespeed
WS500 external Voltage regulators |
Lithionics
also endorses Wakespeed external Voltage regulators
like the WS500 - which
can also be controlled by the Lithionics NeverDie
Battery Management System by using the Lithionics
"Marine" 23 pin Ampseal connector and specifying
"CANbus" on the BMS box order.

Additional
Wakespeed Parts that you may need for the WS500 external
Voltage regulator include:
- WSPH
Wakespeed Standard Positive P-Type Wiring Harness.
Part number: WSPH $91.55 USD
- WSTHREEMTHERM
3MTHERMISTOR. Part number: WS500-BT15. $50.74 USD
Wakespeed Battery Temp Sensor (3 meter length).
- .3M
THERMISTER WS500 AT01 Part number: WS.3MTHERM. $40.55
USD Wakespeed Alternator Temp Sensor (0.3 meter
length).
|
|
| Wakespeed
WS3000R Bi-Directional/ DC to DC Energy Management external
Voltage regulators |
Wakespeed WS3000R bi-directional DC to DC Energy Management
System capable of charging two different battery banks
from 1 alternator from 12 Volts to 48 Volts including
if one of the two battery banks is a Lithionics Battery
lithium-ion battery.
NOTE: The WS3000 is not currently configured for use
with two Lithionics battery systems as it can only
deal with one BMS input signal. The WS3000 can be
used with a Lithionics system if one of the battery
banks is a conventional lead-acid/ AGM battery chemistry.

You
can use a single 12 Volt, 24 Volt or 48 Volt alternator
with the Wakespeed WS3000 to charge two different
Voltage battery banks. The WS3000 will boost or buck
the Voltage of the alternator to permit charging the
second battery system.
High
Energy systems combine the benefits of lower cost,
faster charging, and more real-world power availability
- but, up until now, they have been difficult to integrate
into existing marine and mobile systems.
Wakespeed's new WS3000 delivers a powerful solution
for managing high-energy, multi-Voltage systems.
By combining an ultra-efficient bi-directional 3kW
buck/boost DC-DC converter, with the proven intelligence
and CAN enabled connectivity of the WS500 circuitry,
the WS3000 makes it possible to seamlessly transfer
up to 3,000 Watts from alternator to batteries, or
from battery to battery to confidently handle multiple
Voltage loads.
Like the WS500 Advanced Alternator Regulator, the
WS3000 Energy Management System enables users to communicate
with J1939/RV-C based CAN enabled BMS systems, along
with legacy-based control for non-CAN enabled LiFeP04
battery banks.
The
WS3000 provides support for 12V/24V, 12V/48V, and
24V/48V mixed Voltage systems, and can be used to
control an externally regulated, high-output alternator.
- Charge
higher voltage batteries utilizing existing chassis
electrical system.
-
On demand supplemental chassis electrical system
power to support surge loads without cost of additional
batteries.
- Replace
existing chassis alternator with higher energy unit
and transparently support legacy chassis power bus.
- J1939/RV-C
based CAN support for system and BMS integration.
- Compatible
with additional WS500 controlled alternators installed
in the same system.
|
|
| Wakespeed
WS100 multistage Voltage regulators |
The
Wakespeed WS100.

Wakespeed
WS100 Multi-Stage Voltage Regulator Designed by
smart regulation pioneer Michael Frost, Wakespeed's
WS100 regulator takes twenty-plus years of smart regulation
know-how, and distills it into a simple, user-friendly
regulator that's extremely capable yet simple enough
to make the recreational boater happy - at a package
price that's sure to please the most budget-conscious
customer.
Simple,
Confusion-free Programming
Configuring the WS100 voltage regulator doesn't require
an engineering degree or a contortionist with a magnet
to find the right program for your batteries. Five
intelligent programs based on the most popular marine
battery technologies are accessible with the twist
of a knob. Programs provide proven profiles for standard
and deep cycle flooded batteries, gelled silica batteries,
standard (low voltage) AGM, Carbon Foam (Firefly)
and high-density AGM and TPPL battery technologies.
Four
Useful Field Reduction Levels
The WS100 provides four "on the fly" field
output levels; 100%, 90%, 75% and 50% settings to
respond quickly to belt dusting or low RPM engine
loading. The regulator will deliver 100% output under
normal conditions, but if the situation requires,
the user can simply twist a knob while underway to
reduce the horsepower load on the engine and belt.
When full power is required, simply twist the knob
and full output is available.
All In One Simple Package
The WS100 regulator comes pre-packaged with all of
the needed components to provide smart regulation
with protection for both the alternator and batteries.
The kit, designed for use with P-type, externally
regulated 12 Volt alternators, includes the regulator,
wiring harness with 10A inline fuse, along with alternator
temperature sensor cable and battery temperature sensor
cable. Temp sensors are color coded to ensure simple,
non-confusing installation. How easy is that?
|
|
 |
 |
 |
|
DC
Power Solutions High Output Alternators and Accessories
For Marine
and
RV

We offer the complete line of DC Power Solutions
Custom Alternator products so if you don't see what
you need, just call 604-510-0800 or email us.
There are dozens of solutions to choose from for
most popular marine/ yacht applications.
|
|
Model
Number
|
Marine
Grade Alternator Description
|
Contact
us for a Quote
604-510-0800
|
|
DC
Power Solutions Stage One Premier Small Frame Alternator
|
Our
100, 120, 140, 160, 180, and 220 amp small frame marine
alternators are available in a one-inch foot mount,
two-inch foot mount, and 3.15" SADDLE mount configuration.
All alternators come with a 14.2 volt internal regulator,
a D+ connection, and external field connections. NOW
AVAILABLE WITH NEGATIVE FEED FIELD upon request. It
is highly recommended that 160, 180, and 220 amp alternators
are used with our remote rectifier for continuous
high output, especially when used with lithium batteries.
All alternators are built and tested in Eliot, Maine
USA.
Please
see Alternator Installation Notes and a Link to a
DC Power Solutions Installation Article below...
|
|
|
|
|
DC
Power Solutions Stage Two Premier J-180 Large Frame
Alternator
|
Our
12 volt 250 Amp alternator is available in a J-180
mount and in a four point pad mount. These alternators
have oversized internals and externals. At idle this
alternator will output 140 Amps! There is a 24 Volt
model available that will output 85 Amps at idle and
110 Amps at full output. They can run all day at idle
without any issue of overheating! All Stage Two alternators
come with a 14.1 (28.2) Volt internal regulator, a
D+ connection, and external field connections. NOW
AVAILABLE WITH NEGATIVE FEED FIELD upon request. There
are serpentine pulley kits for the most common marine
engines available below to drive this alternator.
All alternators are constructed and tested in Eliot,
Maine USA.
Please
see Alternator Installation Notes and a Link to a
DC Power Solutions Installation Article below...
|

Contact
us for a Quote
604-510-0800
|
|
DC
Power Solutions Stage Three Pad Mount Alternator
|
12
Volt 420 Amp, 24 Volt 250 Amp, and 24 Volt 275 Amp
BRUSHLESS marine alternator comes with a three year
limited warranty. Due to precise manufacturing and
it's brushless design this alternator has an efficiency
rating of 80%. One of the highest in the industry.
All alternators come with a 14.0 (28.0) Volt internal
regulator, a D+ connection and external field connections.
Due to the pad mount system this alternator needs
to be fix mounted to the engine. Belt tension is then
maintained by a mechanical spring loaded tensioner
sold separately.
Please
see Alternator Installation Notes and a Link to a
DC Power Solutions Installation Article below...
|

Contact
us for a Quote
604-510-0800
|
|
Additional
DC Power Solutions products available including pulley/
serpentine belt kits and custom Voltage regulators/ remote
rectifiers. Contact us for more info 604-510-0800.
Alternator
Installation Notes:
1.
Alternator pulley alignment and belt tension are critical.
We recommend the use of a machinist's straight edge on
all installations to ensure that all of the pulleys on
the alternator belt system are precisely aligned within
0.5mm or 0.015". If your alternator belt is is fraying/
breaking the most likely cause will be improper alignment
of the pulleys or overtightened belt tension. Overly tigh
belts can also prematurely wear out bearings in the pulley
system. In addition to the use of a machinist's straight
edge, please be sure to use a torque wrench on all bolts
in the system to the specifications shown in the instructions.
If you find that the belt is squealling the belt tension
may be a bit too loose. If you see the belt excessively
"slapping" or "wiggling" between any
2 pulleys this can indicate that there is a pulley alignment
issue.
2.
Marine alternator installations can be tricky and we definitely
recommend that you use a qualified/ experienced marine
technician to install high output alternators.
3.
We have found that some marine engine manufacturers have
on occasion changed or modified the engine front covers
mid-way through production of the engines. This can create
an issue with properly aligning the DC Power Solutions
alternator idler plate/ alternator or other parts. Thus
far we have only found that this happened on one occasion
with a client's Yanmar diesel engine. Should this be the
case on your installation we may need to provide you with:
We
have found a client that has posted a great article on his
DC Power Solutions Alternator Installation. Click
here for the article...
|
|
Inverter-Chargers
by Xantrex and Victron Energy For Use With Lithionics
Battery Lithium-Ion Batteries:
|
Xantrex
Inverter-Chargers and Xantrex Inverters
Made by Schneider Electric/ Xantrex
|
|
Model
Number
|
Description
|
Price
$CAD or $USD*
|
Xantrex
8183010 Freedom XC Pro Inverter/Charger, 3,000
Watts
P/N: 8183010

Xantrex
Freedom XC PRO Datasheet
|
Xantrex
8183010 Freedom XC Pro Inverter/Charger, 3,000
Watts with 150 Amp programmable battery charger.
A
true sine wave inverter with a built-in lithium-ion
battery charger and transfer switch in a compact,
lightweight footprint. Configure and monitor system
performance via Bluetooth app available on the
optional Bluetooth remote panel (# 808-0817-02).
The Freedom XC PRO inverter/charger, supporting
RV-C and J1939 protocols, is the most versatile
and flexible AC power solution in the market today.
It also features a 150 Amp battery charger and
offers all of the configurable features of the
Freedom XC series inverter/charger in a compact,
light weight package. It cranks out full output
in invert or charge mode from -4F (-20C) to 104F
(40C) for operation in all climate temperatures.
The extended surge rating enables compressor loads
such as an A/C or a fridge to start reliably.
- Built-in
communications card
- Highly
configurable for a variety of applications
-
Ability to charge dead batteries down to 0V
-
Designed to charge lithium ion batteries
- On-board
150 Amp battery charger can be programmed to
output anywhere from 5 Amps to 150 Amps of battery
charge current.
-
Exceptional 5 second power surge for motor loads
- Built-in
50A transfer relay
- Transfer
Relay AC Current Rating: 50 A surge, 40 A continuous
- DC
Nominal Current at Full Load: 304 Amps DC
- Operating
Input AC Pass-Through Voltage Range 85-140 VAC
- Operates
on 10.1 to 18 Volts DC (default Low Battery
Cutoff is 10.5 Volts DC)
- Programmable
120 Volt AC output (for limiting inverter power
to say 2,500 Watts etc. - in increments of 100
Watts)
- L
x W x H (with flanges) 16.0"(406 mm) x
12.0"(305 mm) x 4.9"(125 mm)
- Weight:
18.6 pounds (8.4kg)
IMPORTANT:
Please make sure that there is at least 5"
of free air space at the fan end of the unit, allow
at least 1" air space all around and at least
2" at the wiring access end. This will assist
air flow and cooling of the inverter-charger.
|
Optional
Bluetooth equipped Display and inverter-charger
control panel
|
|
|
|

Xantrex
Display Datasheet
PART
#808-0817-02
$193.50 CAD
|
|
Our
Discounted
Price is
$3,339.90 CAD*
(MSRP is over $3,600 CAD)


Xantrex
Freedom XC PRO Owner's Guide/ Manual

Old
colour scheme shown above
|
Xantrex
8182010 Freedom XC Pro Inverter/Charger, 2, 000
Watts
P/N: 8182010

Xantrex
Freedom XC PRO Datasheet
|
Xantrex
8182010 Freedom XC Pro Inverter/Charger, 2,000
Watts with
100 Amp programmable battery charger.
A
true sine wave inverter with a built-in lithium-ion
battery charger and transfer switch in a compact,
lightweight footprint. Configure and monitor system
performance via Bluetooth app available on the
optional Bluetooth remote panel (# 808-0817-02).
The Freedom XC PRO inverter/charger, supporting
RV-C and J1939 protocols, is the most versatile
and flexible AC power solution in the market today.
It also features a 100 Amp battery charger and
offers all of the configurable features of the
Freedom XC series inverter/charger in a compact,
light weight package. It cranks out full output
in invert or charge mode from -4F (-20C) to 104F
(40C) for operation in all climate temperatures.
The extended surge rating enables compressor loads
such as an A/C or a fridge to start reliably.
-
Built-in
communications card
-
Highly
configurable for a variety of applications
-
Ability to charge dead batteries down to 0V
-
Designed to charge lithium ion batteries
-
On-board
80 or 100 Amp battery charger can be programmed
to output anywhere from 5 Amps to 100 Amps
of battery charge current.
-
Exceptional 5 second power surge for motor
loads
-
Built-in
50A transfer relay
- Transfer
Relay AC Current Rating: 30 A surge, 24 A continuous
- DC
Nominal Current at Full Load: 192 Amps DC
- Operating
Input AC Pass-Through Voltage Range 85-140 VAC
- Operates
on 10.1 to 18 Volts DC (default Low Battery
Cutoff is 10.5 Volts DC)
- Programmable
120 Volt AC output (for limiting inverter power
to say 1,500 Watts etc.)
- L
x W x H (with flanges) 16.0"(406 mm) x
12.0"(305 mm) x 4.9"(125 mm)
- Weight:
17.1 pounds (7.76kg)
IMPORTANT:
Please make sure that there is at least 5"
of free air space at the fan end of the unit,
allow at least 1" air space all around and
at least 2" at the wiring access end. This
will assist air flow and cooling of the inverter-charger.
|
Optional
Bluetooth equipped Display and inverter-charger
control panel
|
|
|
|

Xantrex
Display Datasheet
PART
#808-0817-02
$193.50 CAD
|
|
$2,387.00
CAD*


Xantrex
Freedom XC PRO Owner's Guide/ Manual
|
|
Xantrex
Freedom SW 3012 AND Xantrex System Control Panel
809-0921
|
Xantrex
Freedom SW 3012.
A powerful 12 Volt DC inverter-charger with 3,000
Watts continuous output at 120 Volts AC (6,000
Watts peak). Powerful 150 Amp battery charger
and separate AC Inputs/ Output.
A
key feature enhancement is 'Generator Support
Mode' which enables the Freedom SW to supplement
a generator when AC loads exceed the generator's
capacity. The new generation models also feature
improved AC transfer/AC input detection time,
providing the ability to transfer AC loads to
batteries in less than 10 milliseconds when the
incoming grid or generator power is lost. Connected
loads are almost unable to feel the power transition
due to this quick transfer time.
Unit
dimensions: 13.5" x 15.25" x 7.75"
tall. Weight: 73.7 pounds. Can be mounted flat
(table top style) or vertically with the control
buttons facing up.
Simple
and easy to install. See
one installed on our Installations Page.
Also
available in a 2,000 Watt model Fredom SW 2012.
Both models are approved to UL458 with marine
supplement, CSA, ABYC and FCC, Class B requirements.
The Xantrex Fredom SW 2012 2,000 Watt inverter-charger
also measures 13.5" x 15.25" x 7.75"
tall. Can be mounted flat (table top style) or
vertically with the control buttons facing up.

Parallel stacking enables the Freedom
SW inverter/chargers to double the AC output in
inverter mode. Series stacking enables the Freedom
SW inverter/chargers to generate 120/240 V split
phase output*.
NOTE: We can only "stack" the
exact same Xantrex models - we cannot stack say
the SW3012 and the SW2012.
*
AC source must be split phase, requires Stacking
Cable (part# 808-9005)
2
year warranty.
Xantrex
Customer User Guide

Email
us or call 604-510-0800 for more information
|
$2,439.70
USD*
Price includes Xantrex System Control Panel
and Lithionics Factory Programming and Testing
with your Lithionics Battery System
Also
available direct from Pinnacle Innovations for
non-Lithionics battery projects from $2,960.70
CAD*.

Lithionics
Programming Guide

Xantrex
Installation Guide

Xantrex
System Control Panel
Featuring a graphical, backlit LCD screen, the
System Control Panel (SCP) can monitor the Freedom
SW Inverter/Charger and other devices connected
to the Xanbus network.
Can be purchased separately for $379.90 CAD*
|
|
Xantrex Freedom SW 2012 AND Xantrex Remote System
Control Panel
|
Xantrex
Freedom SW 2012.
A powerful 12 Volt DC inverter-charger with 2,000
Watts continuous output at 120 Volts AC (4,000
Watts peak). Powerful 100 Amp battery charger
and separate AC Inputs/ Output.
A
key feature enhancement is 'Generator Support
Mode' which enables the Freedom SW to supplement
a generator when AC loads exceed the generator's
capacity. The new generation models also feature
improved AC transfer/AC input detection time,
providing the ability to transfer AC loads to
batteries in less than 10 milliseconds when the
incoming grid or generator power is lost. Connected
loads are almost unable to feel the power transition
due to this quick transfer time.
Unit
dimensions: 13.5" x 15.25" x 7.75"
tall. Weight: 60.5 pounds. Can be mounted flat
(table top style) or vertically with the control
buttons facing up.
Simple
and easy to install. See
the similar 3,000 Watt version installed on our
Installations Page.
Approved
to UL458 with marine supplement, CSA, ABYC and
FCC, Class B requirements. The Xantrex Fredom
SW 2012 2,000 Watt inverter-charger measures 13.5"
x 15.25" x 7.75" tall. Can be mounted
flat (table top style) or vertically with the
control buttons facing up.

Parallel stacking enables the Freedom
SW inverter/chargers to double the AC output in
inverter mode. Series stacking enables the Freedom
SW inverter/chargers to generate 120/240 V split
phase output*.
NOTE: We can only "stack" the
exact same Xantrex models - we cannot stack say
the SW3012 and the SW2012.
*
AC source must be split phase, requires Stacking
Cable (part# 808-9005)
2
year warranty.
Email
us or call 604-510-0800 for more information
|
$2,073.75
USD*
Price includes Xantrex System Control Panel
plus 25' communication cable and Lithionics Factory
Programming and Testing with your Lithionics Battery
System. Add $30.00 USD for built-in GFCI outlet.
Also
available direct from Pinnacle Innovations for
non-Lithionics battery projects from $2,493.90
CAD*.
Photo
below shows the 3,000 Watt version which looks
the same as this 2,000 Watt inverter-charger.

Lithionics
Programming Guide

Xantrex
Installation Guide
|
|
Xantrex
Remote Display Panel for Freedom SW 2012/ 3012
|
Xantrex
809-0921.
A great way to see what is going on with your
inverter-charger - including what condition your
input power is. Requires Xantrex communications
cable shown below to connect to Freedom Series
2012 and 3012 inverter-chargers.
Display
gauge measures 4" x 6" x 1 9/16"
deep but you need to allow about 4" on the
backside for the cabling.
|
$369.70
CAD*

|
|
Xantrex
25' Network Cable 809-0940
|
Xantrex
809-0940.
Required for Xantrex Freedom SW 3012 and SW 2012
supplied from Lithionics to connect the Inverter-charger
to the remote display.
|
$39.00
USD*
Also
available in a 75 foot cable 809-0942 for $53.00
USD*
|
|
Xantrex
Freedom XC 2000
817-2080
|
True
sine wave 120 VAC inverter/charger with built-in
transfer switch. Designed for recreational and commercial
applications.
2,000
Watt True Sine Wave inverter, 4,000 Watts peak.
It cranks out full output in invert or charge mode
from -4 Fahrenheit to 104 Fahrenheit for operation
in all climate temperatures. The extended surge
rating of the Freedom XC makes it ideal to start
difficult loads including fridge and microwave.
The quick connect terminals at AC IN/OUT make installation
a breeze.
-
Charger: Programmable from 5 Amps to 80 Amps
output.
- Ignition
Control: Feature to turn inverter on/off via
a 12 VDC signal and to minimize battery drain
by switching the inverter off when the ignition
key is turned off.
- Wide
10-18 VDC Input Range: Ensures inverter operation
on high voltage alternators found on many new
vehicle chassis.
- User
configurable Low Voltage Disconnect from 10.0
Volts to 12.8 Volts DC.
- Programmable
AC Under-Voltage (85-110VAC) Shutdown: Feature
ideal to operate under weak shore power or generator
input.
-
Built-in 30A AC Transfer Relay: Senses when
outside AC Power is present and transfers the
load from the inverter to the source of incoming
power (shore or generator). The unit also automatically
switches from invert mode to charge mode.
- 2
year warranty.
NOTE: We do not recommend 2,000 Watt inverters
for auxiliary airconditioners. Ships from Canada.
|
$1,178.28
CAD*

Options:
Remote Panel 808-0817-01: $79.20 CAD*.
GFCI Option 808-9817: $41.20 CAD*
25' Remote Panel Cable 31-6257-00: $24.90 CAD*.
50' Remote Panel Cable 31-6257-00: $39.90 CAD*.
|
|
Xantrex
Freedom XC 1000
817-1050
|
True
sine wave 120 VAC inverter/charger with built-in
transfer switch. Designed for recreational and commercial
applications.
1,000
Watt True Sine Wave inverter, 2,000 Watts peak.
It cranks out full output in invert or charge mode
from -4 Fahrenheit to 104 Fahrenheit for operation
in all climate temperatures. The extended surge
rating of the Freedom XC makes it ideal to start
difficult loads including fridge and microwave.
The quick connect terminals at AC IN/OUT make installation
a breeze.
-
Charger: Programmable from 5 Amps to 50 Amps
output.
- Ignition
Control: Feature to turn inverter on/off via
a 12 VDC signal and to minimize battery drain
by switching the inverter off when the ignition
key is turned off.
- Wide
10-18 VDC Input Range: Ensures inverter operation
on high voltage alternators found on many new
vehicle chassis.
- User
configurable Low Voltage Disconnect from 10.0
Volts to 12.8 Volts DC.
- Programmable
AC Under-Voltage (85-110VAC) Shutdown: Feature
ideal to operate under weak shore power or generator
input.
-
Built-in 30A AC Transfer Relay: Senses when
outside AC Power is present and transfers the
load from the inverter to the source of incoming
power (shore or generator). The unit also automatically
switches from invert mode to charge mode.
- 2
year warranty.
NOTE: We do not recommend 1,000 Watt inverters for
auxiliary airconditioners. Ships from Canada.
|
$869.90
CAD*

Options:
Remote Panel 808-0817-01: $79.20 CAD*.
GFCI Option 808-9817: $41.20 CAD*
25' Remote Panel Cable 31-6257-00: $24.90 CAD*.
50' Remote Panel Cable 31-6257-00: $39.90 CAD*.
NOTE:
We can also supply this from Lithionics direct
with the lithium-ion battery firmware upgrades
and tested with your battery system for $646.00
USD. It would ship with your Lithionics Battery
order from Clearwater, Florida.
|
|
Xantrex
Freedom X 2000
|
High
quality, powerful 2,000 Watt inverter with 4,000
Watt 2 second peak power. View AC & battery current,
% status bar for inverter output on the onboard
display. No Charger - Inverter Only.
- User
configurable Low Voltage Disconnect from 10.0
Volts to 12.8 Volts DC.
- 2
year warranty.
Options:
Remote Panel 808-0817-01: $79.20 CAD*.
GFCI Option 808-9817: $41.20 CAD*
25' Remote Panel Cable 31-6257-00: $24.90 CAD*.
50' Remote Panel Cable 31-6257-00: $39.90 CAD*.
Ships from Canada.
|
$959.24
CAD*

|
|
Xantrex
Freedom X 1000
|
High
quality, 1,000 Watt inverter with 2,000 Watt 2 second
peak power. View AC & battery current, % status
bar for inverter output on the onboard display.
No Charger - Inverter Only.
- User
configurable Low Voltage Disconnect from 10.0
Volts to 12.8 Volts DC.
- 2
year warranty.
Options:
Remote Panel 808-0817-01: $79.20 CAD*.
GFCI Option 808-9817: $41.20 CAD*
25' Remote Panel Cable 31-6257-00: $24.90 CAD*.
50' Remote Panel Cable 31-6257-00: $39.90 CAD*.
Ships from Canada.
|
$669.90
CAD*

|
|
Xantrex
PROwatt SW 1000
|
Xantrex
806-1000.
The compact, easy-to-use and easy-to-install design
of the PROwatt SW Series makes it ideal for use
in commercial truck, RV and marine applications.
It also meets UL458 marine supplement.
The
PROwatt SW Series feature True Sine-Wave AC output
with 540, 900 and 1800 continuous Watts respectively.
With high surge capability, the PROwatt SW Series
provides the necessary current to startup demanding
electrical loads such as variable speed power
tools, advanced electrical appliances, microwaves
and much more.
In
addition to dual GFCI AC receptacles, the PROwatt
SW Series include an innovative USB connection
for providing power to most USB chargeable devices.
The PROwatt SW Series offers many safety features
not found in similar inverters. When equipped
with a remote control, the PROwatt SW Series has
the ability to provide automatic ignition lockout
shutting down the inverter's output when the vehicle's
ignition is not engaged.
Power
inverter providing AC power anywhere you need
it. With True Sine-Wave output, the PROwatt SW
Series can provide power for all types of electrical
loads including, variable speed power tools, advanced
electrical appliances, microwaves and much more.
The PROwatt SW provides household AC power anywhere.
|
$465.00
CAD*

Also
available in 600 and 2,000 Watt versions:
- Xantrex
PROwatt SW600 806-1206 (600 Watts) $327.20 CAD*
- Xantrex
PROwatt SW2000 806-1220 (2,000 Watts) $777.60
CAD*
- 2
year warranty.
|
|
Xantrex
PROsine 1000
|
Designed
for recreational and industrial applications,
expect the best performances from televisions,
audio systems, variable speed tools, and any other
electronics where you want nothing but the most
optimal performance.
Offering
superior quality true sine wave output, the Prosine
1000 and 1800 stand-alone power inverters are
ideally suited for electrical systems that already
have a quality multistage battery charger. Designed
for recreational and industrial applications,
their 120 Volt, 60 Hz AC power output is capable
of handling both heavy duty and smaller, multiple
AC loads. Prosine inverters include a backlit
LCD display panel, which can be mounted remotely.
2
year warranty.
|
$1,097.40
CAD

Also available in a 2,000 Watt version
for $2,079.90 CAD* (Part numbers Xantrex 806-1800
or Xantrex 806-1802).
|
|
Don't
see the Schneider Electric/ Xantrex electrical product
that you need?
Just let us know what you are after and we can supply
it.
|
 |
|
|
|
We
offer the complete line of high quality Victron
Energy electrical equipment including:
-
Victron Energy Multiplus, Quattro and Easy
Solar Inverter-Chargers (Including Solar MPPT
Inverter-Chargers). See a few examples
below...
- Victron
Energy Phoenix Inverters
-
Victron
Energy SmartSolar and BlueSolar MPPT Solar Charge
Controllers
-
Victron
Energy Orion Smart DC to DC Chargers and DC
to DC Converters (power supplies)
-
Victron
Energy BMV Series State of Charge Monitoring
Systems (SOC/ Battery Monitor) Gauges
-
Victron
Energy Accessories - Sensors, BMS, VE.Direct/
VE.Bus cables etc.
-
Victron
Energy AGM Batteries
- Victron
Energy Phoenix/ Skyla/ Centaur/ Blue Smart Chargers
- Victron
Energy DC Distribution systems & Fuses
- Victron
Energy Isolation transformers
- Victron
Energy Panels and system monitoring such as Color
Control GX, Cerbo GX, GX Touch Screens etc.
We
have several installations successfully running
Victron Energy electrical equipment including the
Victron Quattro and Multiplus inverter chargers.
Available in 12, 24 and 48 Volt configurations.
Victron
offers a great selection of mid to high power inverter
chargers that can be networked with other Victron
equipment for seamless integration or as stand alone
products.
|
|
Click
on the images for larger images of the Victron
Quattro 24 Volt RV/ Prevost Tour Bus installation

|
|
|
|
|
 |
OutBack
Power Electrical Product List
* Prices subject to change
|
|
OutBack
Inverter E-Panels (comes with Mate display panel)
|
|
Model
Number
|
Description
|
Discounted
Price $CAD*
|
|
EP-FXR2012
|
E-Panel
system with FX2012T inverter
|
$5,579.00
|
|
EP-FXR2524
|
E-Panel
system with FX2524T inverter
|
$5,579.00
|
|
EP-VFXR2812
|
E-Panel system with VFX2812 inverter
|
$5,879.00
|
|
EP-VFXR3524
|
E-Panel
system with VFX3524 inverter
|
$5,879.00
|
|
EP-VFXR3648
|
E-Panel
system with VFX3648 inverter
|
$5,879.00
|
| |
|
|
|
OutBack
Inverter FLEXware Powerboards (now includes Mate,
Hub and Disconnects)
|
|
Model
Number
|
Description
|
Discounted
Price $CAD*
|
|
PB-GS8048A
|
Radian 8000W, 48Vdc Outback PowerBoard 120/240Vac
|
$11,787.00
|
|
FW500-VFXR2812X2
|
FLEXware
12VDC system with 5,6kW two .FX2812, 120/240Vac
|
$12,690.00
|
|
FW500-VFXR3648X2
|
FLEXware
48VDC system 7.2kW, 120/240Vac
|
$12,690.00
|
|
FW500-VFXR3524X2
|
FLEXware
24VDC system 7.0kW two VFX3524, 120/240Vac
|
$12,690.00
|
|
FW-1KVFXR3648X3
|
FLEXware
48VDC system 10.8kW, 3PH, 120/208Vac
|
$19,511.00
|
|
FW-1KVFXR3524X2
|
FLEXware
24VDC system 7.0kW two VFX3524, 120/240Vac
|
$15,189.00
|
|
FW-1KVFXR3648X2
|
FLEXware
48VDC system 7.2kW two VFX3648, 120/240Vac
|
$15,699.00
|
|
FW-1KVFXR3648X4
|
FLEXware
48VDC system 14.4kW four VFX3648, 120/240Vac
|
$23,197.00
|
|
FW-1KVFXR3524X4
|
FLEXware
48VDC system 14.0kW four VFX3648, 120/240Vac
|
$23,197.00
|
| |
|
|
|
PB-LA-ADD
|
Lightning Protection (AC & DC) Add
|
$247.00
|
|
PB-FM60-ADD
|
FM60
MPPT Regulator And Input Breaker
|
$1,162.00
|
|
PB-FM80-ADD
|
FM80
MPPT Regulator And Input Breaker
|
$1,297.00
|
|
PB-X240-ADD
|
X-240
Transformer Add (Specify Load or Gen side)
|
$899.00
|
|
PB-CSA-ADD
|
CSA
Approval Add-On
|
$709.00
|
| |
|
|
|
OutBack
Inverters
|
|
Model
Number
|
Description
|
Discounted
Price $CAD*
|
|
GS8048
|
Radian
8000W 120/240Vac Grid-Interactive and Standalone
|
$6,928.00
|
|
GS8048A
|
Radian 8000W 120/240Vac Adv. Grid-Interactive and
Standalone
|
$7,089.00
|
|
GS4048A
|
Radian
4000W 120/240Vac Adv Grid-Interactive and Standalone
|
$4,697.00
|
|
FXR2012A
|
2000
W, 12 VDC Inverter/Charger, Sealed, 100A Charger
|
$2,788.00
|
|
FXR2524A
|
2500
W, 24 VDC Inverter/Charger, Sealed, 55A Charger
|
$2,788.00
|
|
FXR3048A
|
3000
W 48 VDC Inverter/Charger, Sealed, 35A Charger
|
$2,788.00
|
|
VFXR3648A
|
VFXR
Series Inverter/Charger 3600W, 48Vdc, 45 A charger,
60 Amp AC input
|
$2,995.00
|
|
VFXR3524A
|
VFXR Series Inverter/Charger 3500W, 24Vdc, 82 A
charger, 60 Amp AC input
|
$2,995.00
|
|
VFXR2812A
|
VFXR Series Inverter/Charger 2800W, 12Vdc, 125 A
charger, 60 Amp AC input
|
$2,995.00
|
| |
|
OutBack Radian
Series
|
|
Model
Number
|
Description
|
Discounted
Price $CAD*
|
|
GS8048A
|
Radian
8000W, 48Vdc Outback PowerBoard 120/240Vac
|
$11,689.00
|
|
GS4048A
|
Radian
4000W, 48Vdc Outback PowerBoard 120/240Vac
|
$8,277.00
|
| |
|
|
|
Additional
OutBack Parts
|
|
Model
Number
|
Description
|
Discounted
Price $CAD*
|
|
FM60
|
Outback
60 Amp MPPT Controller
|
$787.00
|
|
FM80
|
Outback
80 Amp MPPT Controller
|
$889.00
|
|
FM-EXTREME
|
Outback
Sealed 80A/150VDC MPPT Charge Controller
|
$2,099.00
|
|
MATE
|
Remote
for FX Inverters And FM60 Regulators
|
$421.00
|
|
MATE2
|
Remote
for FX Inverters And FM60 Regulators - Black Square
Housing
|
$421.00
|
|
MATE3
|
Remote
for FX Inverters And FM60 Regulators - Ethernet
|
$879.00
|
Don't
see what you need here? We offer many more OutBack
parts not shown here.
Call Pinnacle Innovations at 604-510-0800 or email
us at siteinfo@shaw.ca
|

|
 |
Magnum
Energy Electrical Product List
* Prices subject to change
|
|
Magnum
Inverter E-Panels (comes with remote display panel)
|
|
Model
Number
|
Description
|
Discounted
Price $CAD*
|
|
EP-ME2012
|
E-Panel system with ME2012 inverter
|
$3,289.00
|
|
EP-MS2012
|
E-Panel
system with MS2012 inverter
|
$4,179.00
|
|
EP-MS2812
|
E-Panel
system with MS2812 inverter
|
$4,497.00
|
|
EP-MS4024
|
E-Panel
system with MS4024 inverter
|
$4,685.00
|
|
EP-MS4024PAE
|
E-Panel system with MS4024PAE 120/240 inverter
|
$4,885.00
|
|
EP-MS4448PAE
|
E-Panel system with MS4448PAE 120/240 inverter
|
$4,939.00
|
|
EP-RD2824
|
E-Panel
system with RD2824 inverter
|
$3,568.00
|
|
EP-RD1824
|
E-Panel
system with RD1824 inverter
|
$3,222.00
|
|
EPM-MS4024-120
|
EPM-MS4024 – 120V MAGNUM E-Panel system
|
$4,989.00
|
|
EPM-MS4024PAE
|
EPM-MS4024PAE
– MAGNUM E-Panel system
|
$5,147.00
|
|
EPM-MS4448PAE
|
EPM-MS4448PAE
– MAGNUM E-Panel system
|
$5,200.00
|
|
MMP250-30D
|
MINI
MAGNUM PANEL - 250A DC & 30D AC
|
$1,089.00
|
|
MMP-BP
|
MINI
MAGNUM PANEL - BACK PLATE
|
$157.00
|
|
MPSL175-30D
|
MAGNUM
PANEL - FITS 1-2 MS-PAE INVERTERS - 30A AC BREAKERS
|
$1,268.00
|
|
MPXS175-30D-L
|
MAGNUM
PANEL EXTENSION BOX - FITS 1 MS-PAE INVERTERS -
30A AC BREAKERS
|
$529.00
|
| |
|
|
|
Magnum
Powerboards - Prewired
|
|
Model
Number
|
Description
|
Discounted
Price $CAD*
|
|
MP-MS4448PAEx2
|
Magnum
Panel-8800W, 48Vdc system
|
$10,057.00
|
|
MP-MS4024PAEx2
|
Magnum
Panel-8000W, 24Vdc system
|
$10,109.00
|
|
EP-PT100-ADD
|
Magnum
100Amp MPPT Regulator and Input Breaker
|
$1,940.00
|
|
EP-BMK-ADD
|
Magnum
BMK Add
|
$382.00
|
| |
|
Magnum
Inverters
|
|
Model
Number
|
Description
|
Discounted
Price $CAD*
|
|
MS Series
|
Pure
Sine Wave -ETL Listed to UL 1741 and CSA
|
|
|
MS2012
|
2000
Watt, 12V Inverter/100 Amp PFC Charger
|
$2,205.00
|
|
MS2012-20B
|
2000
Watt, 12V Inverter/100 Amp Charger/2-20A AC Breakers
|
$2,267.00
|
|
MS2812
|
2800
Watt, 12V Inverter/125 Amp PFC Charger
|
$2,567.00
|
|
MS4024
|
4000
Watt, 24V Inverter/105 Amp PFC Charger
|
$2,674.00
|
|
MMS1012
|
1000
Watt, 12V Inverter/50 Amp PFC Charger
|
$1,261.00
|
| |
June
2019: click
here for the latest Magnum Charger Programming Guide
that modifies the CC/CV program. |
|
|
MS-PAE Series
|
Pure Sine Wave -ETL Listed to UL 1741 and CSA
|
|
|
Model
Number
|
Description
|
Discounted
Price $CAD*
|
|
MS4024PAE
|
4000
Watt, 24V Inverter/105 Amp Charger/120V/240V In/Out
|
$2,790.00
|
|
MS4448PAE
|
4400
Watt, 48V Inverter/60 Amp Charger/120V/240V In/Out
|
$2,809.00
|
| |
|
|
|
RD Series
|
Modified
Sine Wave -ETL Listed to UL 1741
|
|
|
Model
Number
|
Description
|
Discounted
Price $CAD *
|
|
RD2212
|
2200
Watt, 12V Inverter/110 Amp PFC Charger
|
$1,639.00
|
|
RD1824
|
1800
Watt, 24V Inverter/50 Amp PFC Charger
|
$1,478.00
|
|
RD2824
|
2800
Watt, 24V Inverter/80 Amp PFC Charger
|
$1,889.00
|
|
RD3924
|
3900
Watt, 24V Inverter/120 Amp PFC Charger
|
$2,247.00
|
| |
|
|
|
MM-AE Series
|
Modified
Sine Wave
|
|
|
Model
Number
|
Description
|
Discounted
Price $CAD*
|
|
MM612AE
|
600
Watt, 12V Inverter/30 Amp PFC Charger
|
$698.00
|
|
MM1512AE
|
1500
Watt, 12V Inverter/70 Amp PFC Charger
|
$1,041.00
|
|
MM1524AE
|
1500
Watt, 24V Inverter/35 Amp PFC Charger
|
$1,069.00
|
| |
| |
|
ME Series
|
Modified
Sine Wave - ETL Listed to UL / cUL 458 and CSA
|
|
|
Model
Number
|
Description
|
Discounted
Price $CAD*
|
|
ME2012
|
2000
Watt, 12V Inverter/100 Amp PFC Charger
|
$1,403.00
|
|
ME2012-20B
|
2000
Watt, 12V Inverter/100 Amp Charger/2-20A AC Breakers
|
$1,642.00
|
|
ME2512
|
2500
Watt, 12V Inverter/120 Amp PFC Charger
|
$1,629.00
|
|
ME3112
|
3100
Watt, 12V Inverter/160 Amp PFC Charger
|
$1,889.00
|
| |
|
|
|
Additional
Magnum Parts/ Accessories
|
|
Model
Number
|
Description
|
Discounted
Price $CAD*
|
|
ME-RC50
|
Remote
w/ LCD Display, 50'
|
$279.00
|
|
ME-ARC50
|
Advanced
Digital LCD Display Remote Panel with 50' Cable
|
$358.00
|
|
ME-RTR
|
Router
Remote - required for parallel stacking of the MS-PAE
|
$480.00
|
Don't
see what you need here? We offer many more Magnum
Energy parts not shown here.
Call Pinnacle Innovations at 604-510-0800 or email
us at siteinfo@shaw.ca
|

|
 |
|
Some
of the Additional Products and
Services That We Offer:
|
|
ADDITIONAL
SYSTEMS INCLUDING AIR CONDITIONERS AND DIESEL GENERATORS:
Our
goal at Pinnacle Innovations and getlithium.com is
to bring our Customers best in class products so that
we can provide integrated total systems solutions
that complement the best in class Lithionics lithium-ion
battery systems.
With
the growth in popularity of DC power solutions in
marine, RV and industry, the Lithionics lithium-ion
battery systems have made more things possible - including
replacing generators on RV's and getting rid of inefficient
diesel AC Generators. As a big part of this change
we worked closely with a pioneering Customer of ours
and Queen Long Marine Company in Taiwan (manufacturer
of the precision crafted Hylas yachts and sailboats)
to create a new marine industry standard featuring
a predominantly 24 Volt DC sailboat with numerous
DC charging solutions and upgrades.

Over the years as a result of Customer demand, we
are proud to offer a long list of best in class electrical
products and systems that includes:
|
|
 |
 |
|
INSTALLATIONS:
In many cases we can provide on-site
installations, supervision and consultation.
Some of the locations that we have travelled to include
Taiwan, Florida and other locations.

Above
photo shows the 24 Volt Victron Energy Multiplus 3kW
inverter-charger being installed alongside several
Perfect
Switch POWER-GATE rectifier relays and custom
programmed ORing relays.

Above
photo shows two Lithionics 12 Volt 450 Amp hour batteries
in parallel connected to a 400 Amp NeverDie BMS box.
As part of the installation here in Vancouver on this
2017 Jeanneau 44' sailboat, we also had to fabricate
and install a preceision-fit custom aluminum battery
box.
|
|
|
|
|
| |


Installation photo of the DC Power Solutions 180 Amp 14 Volt high
output alternator installed on a Hylas 56' sailboat.

|
|
 |

|
 |
 |
|
 |
 |
 |
 |
| |
|
|
 |
|
|
MORE POWER
|
1/5 WEIGHT OF AGM/ LEAD
|
LONG LIFE
|
ENVIRONMENTALLY FRIENDLY
|
|
|
 |
|